Talos CNC XS Radijalna Racing Kočiona Pumpa 19x18-20 | XS.19
Talos CNC XS Radijalna Racing Kočiona Pumpa 19x18-20 | XS.19
Rok isporuke na upit
Talos XS CNC Radijalna Racing Kočiona Pumpa 19x18–20 | XS.19
Maksimalna kontrola kočenja – razvijena za pravu Racing-izvedbu
Talos XS 19 je visokokvalitetna, CNC obrađena radijalna kočiona pumpa za vozače koji zahtijevaju beskompromisnu kočionu snagu, maksimalnu kontrolu i precizne mogućnosti podešavanja.
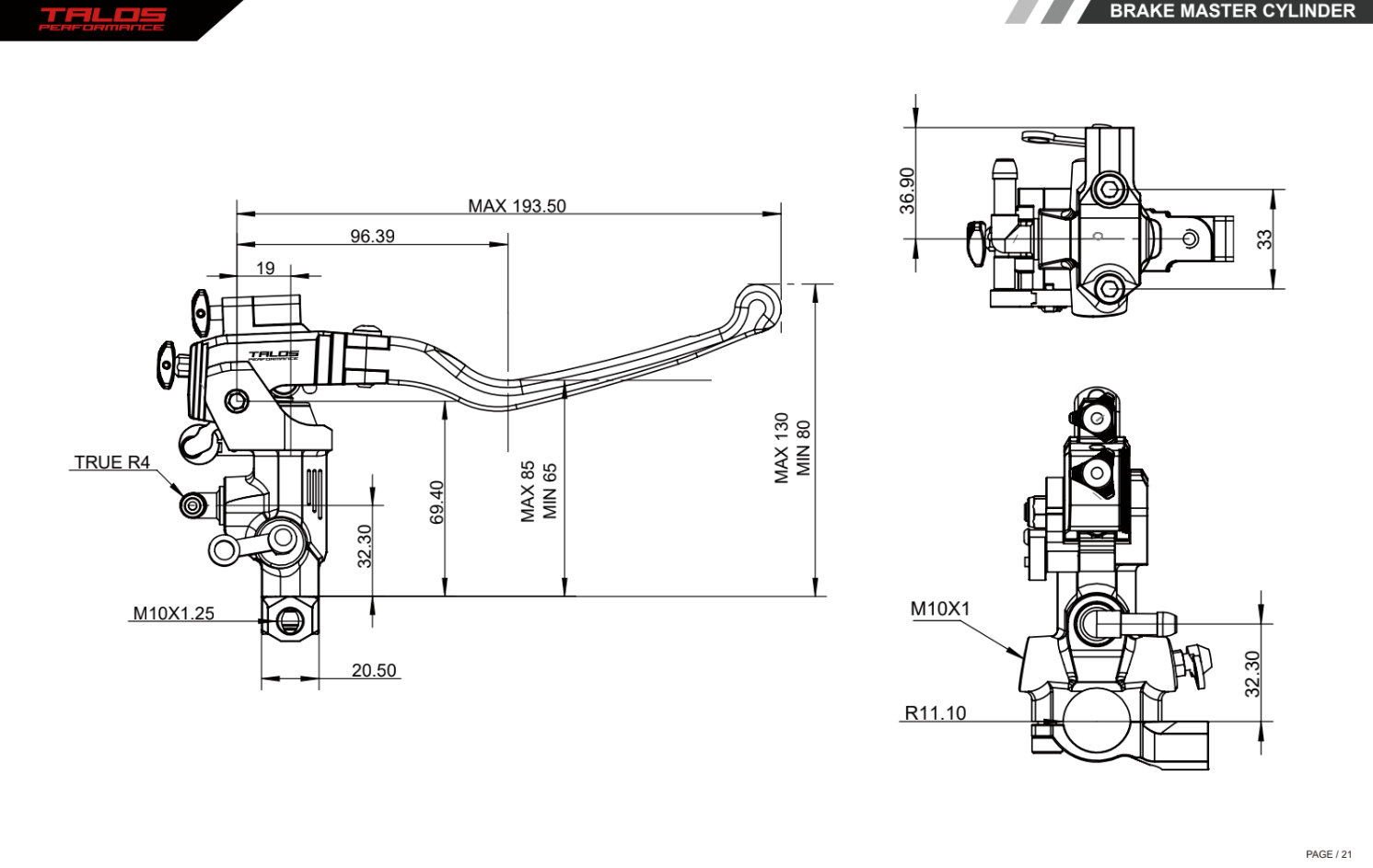
S 19-mm klipom, podesivim omjerom poluge (18–20 mm) i preciznim sustavom podešavanja, pruža izuzetno direktan, fino dozirajući osjećaj kočenja – savršeno za sportske motocikle, trackbikeove i Racing preinake.
Ako želiš podići svoj kočioni sustav na profesionalnu razinu, nema drugog izbora osim XS 19.
CNC-Billet-Aluminij – lagan, stabilan & precizno izrađen
Kućište XS kočione pumpe izrađeno je od čvrstog blok aluminija obrađenog CNC-om.
To osigurava:
-
maksimalnu krutost
-
ekstremnu izdržljivost
-
konstantnu točku pritiska
-
minimalnu težinu (samo 312 g)
Kočiona pumpa koja pouzdano radi čak i pod najtežim opterećenjem.
19-mm Klip – idealan za 4-klipne sustave & Racing postavke
19-mm klip je savršen za:
-
velike 4-klipne kočione čeljusti
-
jake kočione sustave
-
High-Performance sustave
Rezultat je snažno, čisto povećanje pritiska s direktnom povratnom informacijom na poluzi.
Omjer poluge 18–20 mm – fino podešavanje za tvoj stil vožnje
S korak-po-korak podešavanjem možeš točno prilagoditi karakteristiku kočenja:
-
18 mm → jača, oštrija točka pritiska
-
20 mm → mekši, osjetljiviji hod poluge
Tako dobivaš savršenu ravnotežu za svaku stazu, gumu ili stil vožnje.
Klizni Poluga – maksimalna zaštita pri padovima
Klizni kočioni poluga smanjuje rizik od lomljenja poluge pri padu ili klizanju.
Mali detalj – ali u Racingu vrijedan zlata.
Visokokvalitetni materijali za najvišu izvedbu
-
Klip: Hard-anodizirani aluminij
-
Ventil za pražnjenje: Titan
-
Vijke za stezanje i okretanje: nehrđajući čelik
-
Kućište: crni eloksirani aluminijski blok
-
Prekidač za kočiono svjetlo: integriran
Svaki detalj XS 19 dizajniran je za maksimalnu funkcionalnost i izdržljivost.
Tehnički podaci
-
Promjer klipa: 19 mm
-
Omjer poluge: 18–20 mm podesiv
-
Poluga: sklopiva, podešavanje klikom
-
Materijal kućišta: CNC-aluminijski blok (crni eloksirani)
-
Klip: hard-anodizirani aluminij
-
Težina: 312 g
-
Prekidač za kočiono svjetlo: uključeno
-
Ventil za pražnjenje: Titan
-
Područje primjene: Racing / Visoke performanse
Zašto je Talos XS 19 savršen izbor
-
✔ ekstremno izravan dodir
-
✔ maksimalna kontrola pri svakoj kočnici
-
✔ Racing-prikladna CNC konstrukcija
-
✔ podesivi omjer poluge za savršeno podešavanje
-
✔ ultralagan & visoko opterećen
-
✔ sklopiva poluga kao sigurnosna prednost
Idealno za vozače koji…
-
žele unaprijediti svoj sustav kočenja na razinu trkaćih sportova
-
trebaju preciznu, osjetljivu dozirljivost
-
preferiraju visokokvalitetne CNC dijelove
-
traže nadogradnju za snažne sport ili track motocikle
Zaključak: Racing-tehnika za najviše zahtjeve
Talos XS 19 Racing kočiona pumpa pruža beskompromisne performanse, najfinije podešavanje i apsolutnu preciznost.
High-end nadogradnja koja svako motocikl čini osjetno sigurnijim, kontroliranijim i sportskijim.
🛒 Nadogradite sada i doživite Racing kočione performanse na profesionalnoj razini!
Dostupnost preuzimanja nije mogla biti učitana
O nama
O nama
Naša strast prema kvaliteti i inovacijama pokreće nas da vam ponudimo najbolje proizvode i usluge za ljubitelje motocikala. Od ekskluzivnih visokoperformantnih dijelova do prilagođenih rješenja – vaše vozačko iskustvo je u središtu našeg poslovanja.
Isporuka i povrati
Isporuka i povrati
Isporučujemo s DHL-om i FedEx-om – po želji i ekspresnom dostavom. Ako je artikl na skladištu, isporuka ekspresnom dostavom može se u mnogim slučajevima izvršiti unutar 1 radnog dana. Redovno vrijeme isporuke unutar zemlje iznosi oko 2-5 radnih dana, a međunarodno obično oko 1 tjedan. Molimo provjerite dostupne opcije dostave i rokove u košarici, jer nudimo više dostavnih usluga ovisno o zemlji.
Povrati moraju biti prethodno prijavljeni putem e-maila i moguća su prema našoj politici povrata (14 dana za zahtjev za povrat + 14 dana rok za vraćanje nakon odobrenja). Molimo imajte na umu: Neprijavljeni povrati neće biti prihvaćeni. Sve detalje o uvjetima, iznimkama i povratima možete pronaći u našoj politici povrata.
Vaši podaci o plaćanju obrađuju se sigurno. Ne pohranjujemo podatke o kreditnim karticama i nemamo pristup vašim informacijama o kreditnim karticama.
Više informacija u našim FAQ-ima
Pošalji e-mail našem timu – javit ćemo ti se što je prije moguće.
Koliko dugo traje obrada moje narudžbe?
Koliko dugo traje obrada moje narudžbe?
Ako je artikl na skladištu, obradit ćemo tvoju narudžbu obično vrlo brzo, često će biti poslana još istog dana.
Naši radni sati su od ponedjeljka do petka, 07:30–16:30.
Šaljete li međunarodno?
Šaljete li međunarodno?
Da, šaljemo širom svijeta. Dostava se vrši ovisno o zemlji i izboru s DHL-om ili FedEx-om.
Koja je vaša politika povrata?
Koja je vaša politika povrata?
Povrati se moraju unaprijed prijaviti putem e-maila. Možeš zatražiti povrat unutar 14 dana od primitka i nakon odobrenja imaš dodatnih 14 dana za vraćanje.
Važno: Nepopravljeni povrati neće biti prihvaćeni. Sve detalje možeš pronaći u našim uvjetima povrata.
Što znači 'Vrijeme isporuke na upit'?
Što znači 'Vrijeme isporuke na upit'?
'Vrijeme isporuke na upit' znači da artikl obično nije odmah dostupan i može se dodatno naručiti. Molimo kontaktirajte nas prije kupnje – provjerit ćemo dostupnost i reći vam predviđeno vrijeme isporuke.
Nudite li ekspresnu dostavu?
Nudite li ekspresnu dostavu?
Da, nudimo ekspresnu dostavu. Ako je artikl na skladištu, dostava može u mnogim slučajevima biti izvršena unutar 1 radnog dana (ovisno o zemlji i opciji dostave). Dostupne opcije dostave možeš vidjeti u svojoj košarici.

